PTO Hino H 261 Bezares
Persediaan
Deskripsi / PTO Hino H 261 Bezares
Karakteristik PTO Hino H 261 Bezares
PTO - pelat pengatur jarak merupakan komponen integral dari sistem hidraulik alat berat bergerak dan truk sampah, karena merupakan solusi paling ekonomis untuk memperoleh tenaga dan mentransfernya ke pompa hidraulik.
Power take-off terutama digunakan pada peralatan konstruksi khusus: truk tanker, truk derek, peralatan utilitas, truk sampah. Dan power take-off box juga dipasang pada dump truck, traktor dan peralatan kargo lainnya. Mengambil tenaga dari mesin melalui gearbox, power take-off box meneruskan torsi ke organ kerja sistem hidrolik.
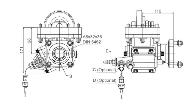
PTO ini - dengan dua roda gigi.
Daya (1000 putaran per menit) - 28 C.V // 21 kW
Posisi pemasangan - kiri
Putaran pompa - berlawanan arah jarum jam
Berat - 13 (kg)
Torsi (Nm) - 200
Koefisien pemilihan daya:
1:0.72
P catatan:
A Benang 1/8"
B Arah putaran
C Saklar kontak. PN 100070012

Terdapat juga power take-off box untuk Isuzu, MAZ, DAF, Iveco, Scania, Renault, Mercedes Benz, MAN dan merek traktor dalam dan luar negeri lainnya, kendaraan khusus, peralatan konstruksi dan kendaraan utilitas.
Perusahaan kami menjual power take off box dengan kualitas terbaik. Produk kami dilindungi oleh sertifikat kualitas dan memiliki jaminan. Dengan membeli produk baru, Anda memastikan pengoperasian power take-off box untuk waktu yang lama. Saat membeli power take-off box, Anda mendapatkan produk dengan masa garansi dan keyakinan akan fungsionalitas power take-off box besok!
Informasi Lebih Lanjut
| Jenis instalasi | Sisi kiri |
|---|---|
| Arah putaran | Kiri |
| Masa garansi, bulan | 12 bulan |
| Negara | Baru |
| Merek | Bezares |
| Negara Asal | Spanyol |