Motor hidrolik MRB200C/C M+S Hydraulic
Persediaan
Deskripsi / Motor hidrolik MRB200C/C M+S Hydraulic
Гидравлический мотор MRB200C/C от M+S Hydraulic (Болгария)
Героторный гидромотор M+S Hydraulic MRB200C/C с рабочей скоростью 300 об/мин и мощностью 8 кВт. Относится к серии низкомоментных и высокоскоростных. Серия гидравлических моторов MRB200C/C от M+S Hydraulic подходит для длительной работы при умеренном давлении или коротких периодов работы при высоком давлении.
Применение: разнообразная спецтехника и промышленная техника
Основные параметры MRB200C/C M+S Hydraulic:
- Рабочий объем: 199.8 см3
- Максимальная скорость: 300 об/мин
- Крутящий момент: 300 Нм
- Рабочая мощность: 8 кВт
- Рабочее давление: 110 бар
- Пропускная способность: 60 л/мин
- Детальная информация: PDF
Рекомендации по эксплуатации:
- Прерывистая скорость и прерывистое давление не должны возникать одновременно.
- Рекомендуемая фильтрация соответствует коду чистоты ISO 20/16. Номинальная фильтрация 25 микрон или выше.
- Рекомендуется использовать высококачественное гидравлическое масло на минеральной основе HLP(DIN 51524) или HM ( ISO 6743/4).
- Рекомендуемая минимальная вязкость масла 13 мм²/с [70 SUS] при 50°C [122°F].
- Рекомендуемая максимальная рабочая температура системы составляет 82°C [180°F].
- Чтобы обеспечить оптимальный срок службы гидромотора, перед максимальной нагрузкой залейте жидкость и дайте ему поработать при умеренной нагрузке и скорости в течение 10–15 минут.
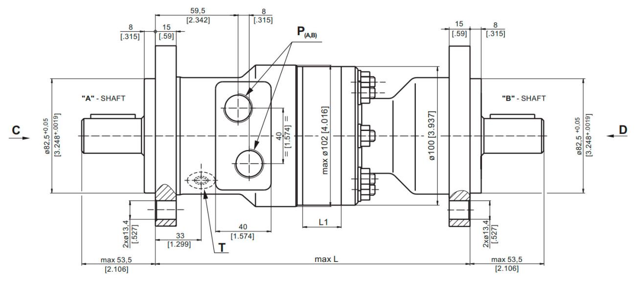
Вал и уплотнения:
- Прямой вал ø25 под шпонку A8x7x30 DIN 6885
- Стандартное уплотнение вала
- Под заказ доступны другие варианты валов (смотрите спецификации в PDF)

L, мм: 233.5, L1, мм: 34.8
Informasi Lebih Lanjut
| Kode vendor | MRB200C/C |
|---|---|
| Tipe motor hidrolik | Gerotor |
| Maks. torsi (Nm) | 400,00 |
| Daya maksimum (kW) | 8,00 |
| Maks. kecepatan (rpm) | 300,00 |
| Volume kerja (cm³) | 199,80 |
| Aliran maksimum (l/mnt) | 60,00 |
| Jenis poros | Berbentuk silinder |
| Negara | Baru |
| Masa garansi, bulan | 12 |
| Merek | M+S Hydraulic |
| Negara Asal | Bulgaria |